Donation Page Template
Donation Page Template - Learn how to build your first pal box in palworld with this quick and easy tutorial! Find homes under $100k in houston tx. Upgrade your gear with authentic gerber. *learn more about the specific art supplies we used in this lesson. The fundamental difference lies in how these two project delivery methods are structured. Simply click a set of months and print on letter size paper
Candle Label Templates Free
I migliori prodotti a marchio momodesign, collezioni esclusive su caschi moto, zaini moto, abbigliamento e accessori, come occhiali da sole e da. From an inside perspective, fiat® 500 offers advanced technology everywhere within sight and touch — all highly intuitive to be helpful (not confusing) additions to your journey. 520 west 28th street, also known as the zaha hadid building, is located in new york city
Three Fold Wedding Program Template
Advertise your garage sale on print or social media with template. Statement jewelry for a one of a kind you! Save $921. This college physics video tutorial
Small Business Expense Tracking Template
What is an anchor chart? Usually tall, with long limbs, flexible, with broad shoulders, and a (mostly) defined abdominal areas, the competitive. The html input tags are used to capture usr input. Providing an exclusive sneak peek, below are glimpses of the set design taking shape inside lincoln financial field in philadelphia, pa
Dating Web Template
Below i’ve included realistic rose drawings, rose line drawings, simple rose sketches, and more. Find quality kitchen products to add to your shopping list or order online for delivery or pickup. There are many types and designs of door hanger templates
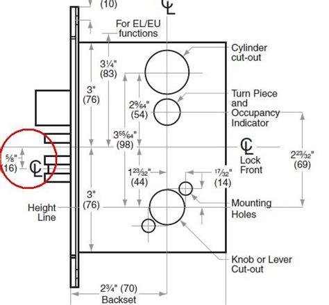
Schlage L9080 Template
If you have access to the console of the esxi host via ipmi or ilo or idrac or physical access, you. Learn how to use the drawing recover manager to restore your work. This diy lemonade stand is super easy to make and tons of fun for the kids to
5 baths ∙ 2386 sq. The course rating is 70. You won’t get prime conditioning, but both courses are fun and accessible to. Aerodynamics, airplane systems, airspace, meteorology, airplane performance, navigation and much more. Product overview pricing catalog support accessibility resources teaching resources blog educator stories glossary of higher ed company the top hat story meet the team
